ams OSRAM Power TOPLED® Enhanced Thinfilm LEDs
ams OSRAM Power TOPLED® Enhanced Thinfilm LEDs can handle a maximum forward current up to 70mA and an ambient temperature up to 100°C. The OSRAM Power TOPLED provide more light due to higher optical efficiency. The ams OSRAM Power TOPLED is ideal for a broad range of automotive and industrial lighting applications.Features
- Package: white PLCC-4 package, colorless clear resin
- Chip technology: Thinfilm
- Wide variety of colors, including Amber, Blue, Orange, Red, White, and Yellow
- Viewing angle at 50% IV: 120°
- -40°C to +100°C operating temperature range
- AEC-Q101 qualified options available
Applications
- Signaling
- Backlighting
- Automotive lighting
- Signal and symbol luminary
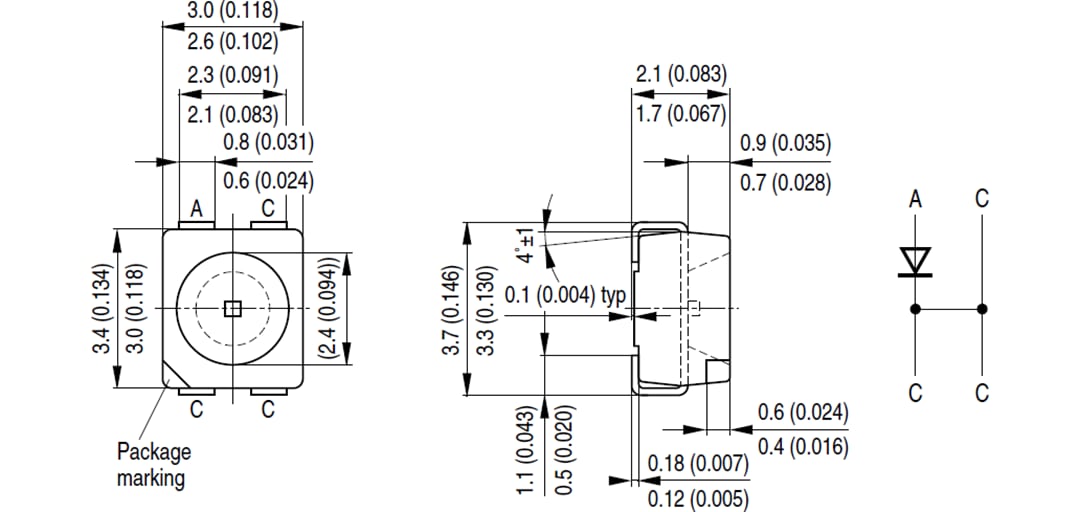
Package Outline
Publicado: 2010-09-03
| Actualizado: 2023-11-09
