Apex Microtechnology SWR200 Precision Sine Wave Reference

Apex Microtechnology SWR200 Precision Sine Wave Reference provides a stable +7.071V at ±0.5% sine wave output and a 20ppm/°C temperature coefficient over the full military temperature range. Extreme accuracy is achieved by a chopper-based AGC circuit. The temperature characteristic of the chopper circuit compensates for the typical nonlinearity of the internal DC Zener reference, resulting in a near-linear amplitude-temperature characteristic. The frequency of the Apex Microtechnology SWR200 is programmable with two external capacitors.

Features

  • +7.071VRMS, ±0.5% high accuracy
  • 20ppm/°C (-55°C To +125°C) low drift
  • 10ppm/1000 hours typical excellent stability
  • 0.1% THD @ f = 3300Hz low distortion
  • Military processing option

Applications

  • Transducer excitation
  • High-resolution servo systems
  • High-precision test and measurement instruments
  • AC voltage standard
  • LVDT or RVDT reference
  • Multiplying D/A reference

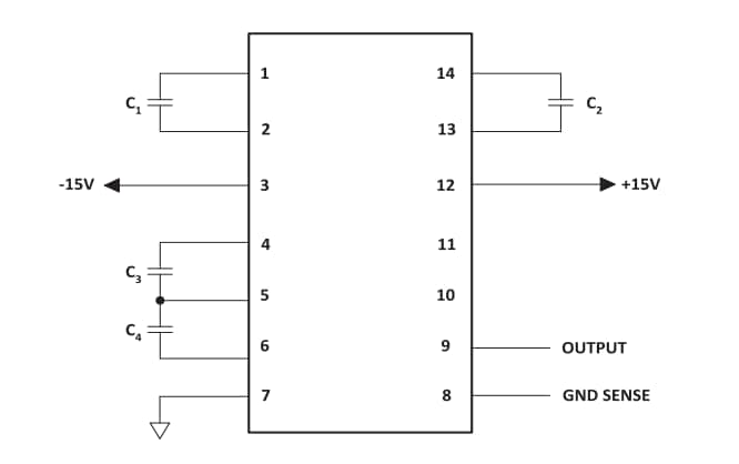
Typical Connection

Apex Microtechnology SWR200 Precision Sine Wave Reference
Publicado: 2020-08-24 | Actualizado: 2024-04-08