onsemi FOD8383/4 High-Speed MOSFET/IGBT Optocouplers

onsemi FOD8383/4 High-Speed MOSFET/IGBT Gate Drive Optocouplers are 2.5A output current gate drive optocouplers that are capable of driving medium-power IGBT/MOSFETs. They are ideally suited for fast-switching driving of power IGBT and MOSFET used in motor-control inverter applications and high-performance power systems. The onsemi FOD8383/4 utilizes Optoplanar® coplanar packaging technology and optimized IC design to achieve reliable high-insulation voltage and high-noise immunity. Each device consists of an Aluminum Gallium Arsenide (AlGaAs) Light-Emitting Diode (LED) optically coupled to an integrated circuit with a high-speed driver for push-pull MOSFET output stage.

Features

  • 2.5A output current driving capability
  • P-channel MOSFET at output stage enables output voltage swing close to supply rail
  • 35kV/μs minimum common mode rejection
  • 15V to 30V supply voltage range
  • Fast switching speed over full operating temperature range
  • 210ns maximum propagation delay
  • 65ns maximum pulse-width distortion
  • Under-Voltage Lockout (UVLO) with hysteresis
  • -40°C to +100°C industrial temperature range
  • Safety and Regulatory Approvals:
    • UL1577, 5000VACRMS for 1 minute
    • DIN-EN/IEC60747-5-5, 1414V peak working insulation voltage

Applications

  • AC and brushless DC motor drives
  • Industrial inverter
  • Uninterruptible power supply
  • Induction heating
  • Isolated IGBT/power MOSFET gate drive

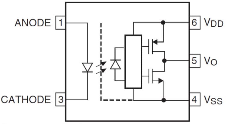
Functional Schematic

Schematic - onsemi FOD8383/4 High-Speed MOSFET/IGBT Optocouplers
Publicado: 2014-09-25 | Actualizado: 2022-03-11